耐震診断 ホーム > 耐震診断実績一覧 > 東京都墨田区 共同住宅(S造5階建て)耐震診断

東京都墨田区 共同住宅(S造5階建て)耐震診断

実施年 :2013年                                   所在地 :東京都墨田区
建物概要:鉄骨造(S造)5階建て、延床面積617㎡
建築年 :1997年
実施内容:耐震診断

東京都墨田区にある鉄骨造の店舗・共同住宅において、耐震診断を実施しました。

この建物は1997年築で、新耐震基準に基づいて設計された建物ですが、地震発生時の大きな揺れを懸念され、耐震診断のご依頼をいただきました。

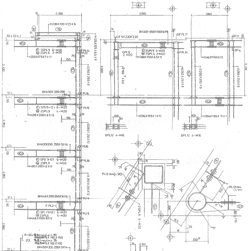
探傷試験を含む現地調査の結果、躯体の仕口接合部(溶接部)に欠陥は認められず、十分な耐力を有する接合状態が確認されました。また、不同沈下についても問題は見られませんでした。

耐震診断の結果、建物の平面形状に一部偏心があることから、特定の架構においてIS値が0.6を下回る結果となりました。これに対する補強設計案として、一部の柱梁仕口部に方杖補強を施し、剛性バランスを改善することで、建物全体の偏心率を低減させる計画としました。

建物の耐震性能に不安をお持ちの場合や、現在の耐震性を客観的に確認したいとお考えの際は、耐震診断の実施をご検討ください。
当協会では、建物の用途や構造条件に応じた耐震診断に関するご相談を承っております。

耐震診断

外壁調査

その他業務内容

日本耐震診断協会について

採用情報

コラム